一、附着升降脚手架的种类  
 
       附着升降脚手架的分类方法较多,按附着支承形式可分为:悬挑式、吊拉式、导轨式、导座式等;按升降动力不同可分为:电动、手拉葫芦、液压等;按控制方式可分为:人工控制、自动控制等;按升降方式可分为:单片式、分段式、整体式等;按爬升方式可分为:套管式、挑梁式、互爬式、导轨式等。工程上常用的是按爬升方式不同进行分类。  
 
       1.套管式附着升降脚手架  
 
       套管式附着升降脚手架,由脚手架系统和提升设备两部分组成,脚手架系统由升降框和连接升降框的纵向水平杆、剪刀撑、脚手板及安全网等组成。  
 
       套管式附着升降脚手架的升降原理是:通过固定框和滑动框的交替升降来实现。在固定框固定的情况下,滑动框与建筑物之间的连接,利用固定框上的吊点使滑动框与建筑物固定;再松开固定框与建筑物之间的连接,利用滑动框上的吊点将固定框提升到一定高度并固定,这样即完成一个提升过程。其提升原理见下图。当需要脚手架下降时,反向操作即可。
  
 
综合一区无套内射中文字幕
 
 
       2.悬挑式附着升降脚手架  
 
       悬挑式附着升降脚手架,是目前应用较广的一种附着升降脚手架。其由脚手架、爬升机构和提升系统三部分组成。脚手架可用扣件式钢管脚手架或碗扣式钢管脚手架搭设而成;爬升机构由承力托盘、提升挑梁、导向轮及防倾覆、防坠落安全装置等组成;提升系统一般使用环链式电动葫芦进行控制,电动葫芦的额定提升荷载不小于70kN,提升速度不宜超过250mm/min。  
 
       悬挑式附着升降脚手架的升降原理:将电动葫芦挂在挑梁上,葫芦的吊钩挂在承力托盘上,使各电动葫芦受力,松开承力把盘同建筑物的固定连接,开动电动葫芦,则爬架即沿建筑物上升或下降,待爬架升(降)一层,达到预定的位置后,将承力托盘再同建筑物固定,并将架子同建筑物连接好,则架子完成一次升(降)过程。  
 
       3.互爬式附着升降脚手架  
 
       互爬式附着脚手架,其基本结构组织形式如图所示。其由单元脚手架、附墙支撑机构和提升装置组成。单元脚手架可由钢管脚手架和碗扣式脚手架搭设而成;附墙支撑是将单元脚手架固定在建筑物上的装置,可通过穿墙螺栓和预埋件加以固定,也可以在架子底部设置斜撑杆支撑各单元脚手架;提升装置一般使用手拉葫芦,其额定提升荷载不得小于20kN,手拉葫芦的吊钩挂在与被提升单元相邻架体的横梁上,挂钩则挂在被提升单元的底部。
 
 
综合一区无套内射中文字幕

 
       互爬式附着升降脚手架的升降原理为:每一个单元脚手架均单独提升,当提升某一个单元脚手架时,先将手拉葫芦的吊钩挂在被提升单元相邻的两架体上,提升葫芦的挂钩,则钩住被提升单元的底部,解除被提升单元的约束,操作人员站在两相邻的架体上进行升降操作;当该升降单元升至设计位置后,与建筑物进行固定,再将葫芦挂在该单元的横梁上,以便进行与之相邻的脚手架单元的升降操作,如图所示。  
 
 
综合一区无套内射中文字幕
 
 
 
        4.导轨式附着升降脚手架  
 
       导轨式附着升降脚手架,由脚手架、爬升机构和提升系统三部分组成。它的爬升机构与以上几种不同,是一套独特的机构,包括导轨,导轮组,提升滑轮组、提升挂座、连墙支杆、连墙支座、连墙挂板、限位锁、限位锁挡块及斜拉钢丝绳等定型构件组成。提升系统也是采用手拉葫芦或环链式电动葫芦。  
 
       导轨式附着脚手架的升降原理为:导轨沿建筑物竖向布置,其长度要比脚手架高一层,架子上部和下部均装有导轨,提升挂座固定在导轨上,其一侧挂提升葫芦,另一侧固定钢丝绳,钢丝绳绕过提升滑轮组同提升葫芦的挂钩连接;启动提升葫芦,架子即可沿导轨上升,提升到规定位置后进行固定;将底部空出的导轨及连墙挂板拆除,装到顶部,将提升挂座移到上部,准备下次的提升。  
 
二、附着升降脚手架的构造  
 
       升降脚手架是一种分跨、不落地的工具型脚手架,其高度一般为4~6步,攀附在建筑物的外墙上。依靠脚手架的自身构造,以倒链为升降设备,能对脚手架进行升降操作。  
 
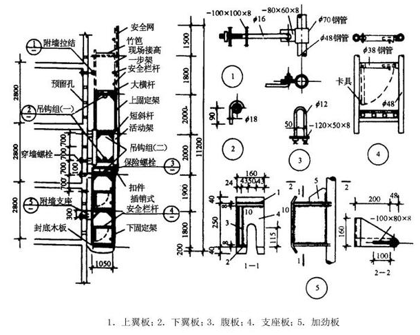
       附着升降脚手架由升降架、大横杆、小横杆、安全栏杆、竖向连接杆及升降设备等组成。6步高附着升降脚手架的构造,见下图。  
 
综合一区无套内射中文字幕
 
 
 
三、附着升降脚手架的安装与拆除  
 
       1.安装  
 
       根据建筑物的平面形状确定脚手架的平面布置图,安装时,先把上、下固定架用4个扣件和2个保险螺栓连接起来,组成1片,上墙安装。通常每2片为一组,每步架用4根Φ48×3.5mm钢管作为大横杆,把2片升降架连成一跨,组装成一个与邻跨没有牵连的独立升降单位。附墙支座的穿墙螺栓从墙外穿入,待架子校正后,在墙内紧固。脚手架工作时,每个单元共有8个Φ30穿墙螺栓与墙体锚固。为施工的需要,脚手架在上墙组装完毕后,用Φ48×3.5mm钢管和对接扣件在上固定架上再接高一步,在其外侧搭设栏杆扶手,并用临时连接杆将各升降单元连接,使之成为整体,内侧立杆用钢管扣件与模板系统拉结,以增强脚手架的稳定性。  
 
       脚手架的爬升可分段进行,通常一个单元为一段。爬升一个楼层高度需两个爬升过程完成,每个爬升过程又分两步进行,第一步为爬升活动架,第二步为爬升下部固定架,这一过程完成之后,要将脚手架及时固定在墙体上并设置上部拉结,此过程完成后,脚手架升高1.4m(即半个楼层高度),见下图;脚手架的下降与爬升操作顺序相反,顺着爬升时用过的墙体预留孔倒行,脚手架即可逐层下降,同时把墙体上预留孔修补完毕,最后脚手架返回地面。  
 
综合一区无套内射中文字幕
 
 
       2.拆除  
 
       拆除时应先清理脚手架上的垃圾杂物,然后自上而下一步一清,每种构配件应分类集中,在其他吊装机具的配合下送至地面,严禁将构配件抛至地面,升降架拆下后要及时清理整修和保养,以重复使用。